发酵工程因其诸多优良特质,在医药工业、食品工业、化工、冶金、废水治理等许多领域都得到了广泛的应用,尤其在制药工业的抗生素生产、生物药生产、氨基酸生产中不可或缺,逐步形成了规模庞大的工程市场。因此,对发酵工程技术的研究和设计的优化,就变得十分必要。希望本文下面对发酵工程设计重点内容的阐述、难点问题的分析、多年累积优化经验的分享,能给相关技术人员带来价值和帮助。
1 发酵罐设计
1.1 发酵罐分类及基本结构
除少数厌氧反应器外,发酵设备一般多为需(好)氧微生物反应器,又称通气式发酵罐。通气式发酵罐根据搅拌形式的不同又分为机械式搅拌和气升式搅拌发酵罐。气升式搅拌适合维生素C、动植物细胞等低耗氧品种,目前国内适合这种搅拌的产品较少见。通气式机械搅拌发酵罐又被称为通用式发酵罐,绝大部分品种均采用该类发酵罐进行生产。本文重点阐述该类发酵罐及其系统配置设计。
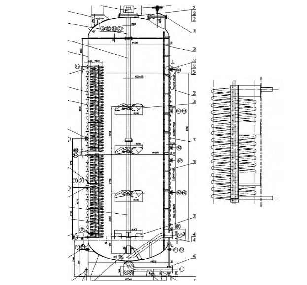
通用式发酵罐是最常用的需氧微生物反应器,它主要由罐体、裙座、电机、减速机、搅拌器、挡板、空气分布装置、轴封换热器、内部换热器、外半管夹套等部件组成,详见图1。
1.2 发酵罐设计的重点
1.2.1 单罐体积和数量的确定
A.发酵罐体积的确定
 
图1 酵罐结构
需要根据年产量、放罐周期及批次、生产品种、培养基的性质、菌种需氧量、搅拌装置水平、动力匹配性、劳动生产率要求等因素综合确定。
首先,发酵罐设计需要考虑规模经济,即在消耗同等能耗情况下,能够有较多的产出。同时,根据发酵周期考虑每天放罐的合理批次,以求降低能耗,节省人力。改造工程还要考虑与原厂区动力系统的匹配情况,如原厂区的空压系统压头、冷水系统压力等,以利于并网平稳运行,减少备机。
其次,在规模经济以上,还要考虑染菌的风险。单罐容积越大,一旦染菌,造成的损失也越大。造成染菌的因素较多,例如,种子带菌、操作失误、设备管路阀门泄漏、消毒不彻底等,很难绝对杜绝。
对提取车间能力的匹配性和投资强度也要进行综合考量,提取负荷越均匀,提取车间投资越经济,人力使用越合理。总之,在设计过程中,确定发酵罐体积,需要多因素综合考量。
目前,国内厂家出于降低投资和生产运行成本的考虑,倾向于发酵罐的设计越大越好。客观上,搅拌系统配置水平的提高,装备制作水平的提升,使溶氧水平能较易得以保证,发酵罐容积适当增大对溶氧产生的不利影响不显著。因此,国内某些氨基酸类的品种,例如谷氨酸、赖氨酸等最大发酵单罐做到了800立方米。但这些产品通常为兼性好氧,发酵液较稀,通气比低,对氧需求低。对于氧需求较高的品种,大发酵罐对发酵整体生产水平还是有显著影响的。因此,这类产品发酵罐容积还需综合考虑比选确定。
通过对国内某品种生产厂家调研,得到的比选数据。这个品种的特点是发酵液对溶氧量需求较大、产热较高,发酵液的性质也使溶氧困难。通过比选可知,156 m3发酵罐对该品种较530 m3发酵罐更具综合优势,并非罐体体积越大越好。
  
表1 某品种工程关键设备选型比选表
B.发酵罐台数确定
需考虑年产量、发酵周期、发酵单罐容积、生产工艺、厂房建筑条件、提取设备能力匹配、工人技术素质等综合因素确定。
具体根据年产量、发酵周期(天数),生产辅助(放罐、洗罐和检修、灭菌、冷却等)时间,结合发酵单罐容积,来确定发酵罐总台数。同时,也要考虑发酵液的性质和提炼设备的处理能力,做到综合运行负荷平衡。为了均衡生产,生产厂家大多采用24小时放1~2罐。例如发酵全周期为8天(含辅助时间),1天放1罐,则设计为8台发酵罐。也可以设计为1天放2罐,选择16台发酵罐。
1.2.2 高径比的选择
A.通用式发酵罐的高径比范围一般为H/D=1.75~3.0;
H/D=2~2.8更为多见;
高径比的选择也要进行综合考虑。高径比大,使空气在发酵液中有相对长的停留时间,能提高液体中的溶解氧,有利于发酵产物的生成。但较高的罐高,必然要求提高发酵罐空气入口压头,以保证进气压力大于发酵液柱静压加发酵操作罐压之和,这样空压机的出口压力也必随之增大,从而使空压机电耗增加。根据经验数据,一些大型离心空压机每增加0.01 MPa压头,则空压机的耗电量增加5%左右。
通常,对于容积较小设有设备法兰的种子罐,由于结构上的原因,其高径比受到限制,一般只为1.75~2.0。罐直径大于等于1.2 m的发酵罐,封头直接焊在筒体上,上封头设置人孔,可安装搅拌轴的中间轴承,因而此类发酵罐的筒身高径比可适当提高,多为2.0~3.0。发酵罐容积增大到一定程度,受综合因素影响,发酵罐通常由细长型逐变为矮胖型(H/D减少)。国内实践较成功的150 m3发酵罐型,其高径比为2.75,而典型500 m3发酵罐的高径比为2.3。
B.发酵罐直筒段高度绝对值不宜过高。
近年来新建发酵罐容积趋向大型化,从50 m3、120 m3、150 m3几种成熟罐型,一直扩增到300~500 m3罐,甚至更大。但综合考虑空压机经济运行的压力保证、建筑物常规高度控制等因素,罐体直筒高度绝对值一般不宜超过15 m。
1.2.3 搅拌流场技术方案及系统配置
A.搅拌流场技术方案
搅拌过程是通过搅拌器向发酵罐内输入机械能,助力动量、热量和质量的传递。因此,形成气泡打碎均匀、喘流程度高的全釜混流效果是我们要追求的理想状态,其将利于三个传递的良好实现。经过多年来的研究结果和实践经验,目前多采用底部径向流,整体轴向流的流场技术方案。
发酵罐的搅拌层数根据罐体高度一般设为2~4层,最底部应选用径向流式的搅拌叶,上部几层选用下压式轴向流式的搅拌叶。下层搅拌起到打碎气泡的作用,并产生径向流使流体径向扩散,向四周运动,上面几层搅拌产生轴向流使流体沿轴向向下运动,罐壁附近流体向上运动,从而整体形成一个喘动的循环流动。其中,底层搅拌的功率准数最高,搅拌消耗功率超过上面2层或3层的总和。
B.搅拌叶形式配置
目前底层经向流搅拌配置多采用非对称抛物线圆盘涡轮搅拌器或者半圆管圆盘涡轮桨,上面1~3层多采用四宽叶旋浆式轴流型搅拌器,详见图2。
 
图2 搅拌器形式选择
桨叶直径与发酵罐直径比值d/D为。桨叶直径的大小及搅拌转速的设定,是影响搅拌功率的两个关键因素,也是影响氧传递系数的最敏感因素。
C.通气管形式配置
发酵罐的通气一般均由罐体底部通入,空气分配管常采用三种方式。
第一种为单管式。其出口位置于底部搅拌的正下方,开口向下,同时可起到翻腾沉积于罐底的固体物料作用。其结构简单,被广泛应用。
第二种为环形空气分布管式。安装时环形分布管的中心应正对搅拌轴中心,并水平布置。在分布管上下、左右均开有φ5~8 mm的小孔,开孔尺寸可以根据发酵液性质适当缩放。
第三种为旋流混合器或喷射搅拌器。旋流混合器基本原理是利用压缩空气本身的静压能,使空气喷射产生对周边流体的抽吸带动作用,转化为高速旋转的气液混合流,并呈径向旋流产生动能,在旋流混合的过程中,增加空气和发酵液接触表面积及停留时间,提高发酵空气利用率;喷射搅拌的基本原理是当压缩空气通过进口管道进入喷嘴时,会产生高速运动,并在喷嘴中心形成一个低压区域。此时,发酵液被注入到低压区域中,与气体发生湍流和剪切,实现了发酵液与压缩空气的均匀混合。这两种方式都可以做到空气和液体在发酵罐底部混合充分,其中气泡直径微小,呈乳化状态,空气利用率提高。比传统发酵溶解氧提高5%~20%或发酵电耗降低5%~30%。
在实际设计中,对是否选用节能混合器,要从菌种、发酵液性质等综合考虑。例如阿维菌素发酵罐使用这种方式,节电可达30%~40%,发酵单位提高3%~5%。而某些品种在节电上虽有降低,但幅度并不大,发酵单位也没有提高,一次性投资却有较大增加,性价比不高,就不一定选用。
1.2.4 换热装置设计
温度是影响微生物生产发育及代谢活动的重要因素,换热装置的设计对控制温度起着决定性作用。
A.换热器的常用形式
夹套式换热装置:
罐外部配上夹套,夹套内通冷却水,夹套高度比液面高度稍高即可。这种装置多用于容积较小的种子罐、发酵罐。优点:结构简单、加工容易,罐内死角少,容易进行清洗灭菌;缺点:传热系数低,降温效果差。
竖式“蛇管”换热装置:
这种装置是将竖式U型管分多组安装于发酵罐内,内通冷却水。根据罐体直径和高度,分组数不同。容积在5 m3以上的发酵罐多采用这种换热装置。优点:冷却水在罐内流速大,传热系数高;缺点:需要更多的设备投资,结构详见图3。
 
图3 竖式“蛇管”换热发酵罐示意图
水平螺旋环管换热装置:
这种装置是以多组同心圆环构成的换热管盘旋结构安装于发酵罐内,内通冷却水。优点:在体积一定的发酵罐内安装水平螺旋管可得到更大的换热面积,传热系数高;可在设备灭菌时排净管内冷媒,提高灭菌效率,节约蒸汽;环管可上下分组布置,根据罐内物料体积灵活使用。缺点:增加一定的设备投资成本。结构详见图4。
 
图4 水平螺旋管换热发酵罐示意图
B.换热面积计算及分析
发酵的冷却面积计算可由下式得出:
式中F——换热面积;
Q——发酵热;
Δtm——发酵液与冷却水间的平均温差。
发酵热一定,如果换热面积设计较大,则Δtm可以较小,则使用循环水的周期可延长,切换使用低温水的周期可变短,从而节约生产成本。通过采用水平螺旋管换热装置,由于其传热系数高,换热面积大,在内蒙某项目实践中,整个夏天发酵车间一直使用循环水,未切换使用低温冷水,动力费用显著降低,效果良好。
在换热器配管设计中,应采用多组并联形式,使Δtm值更低,这种设计更利于降低生产运行成本,提高经济效益。
2 发酵系统配置设计
发酵生产从流程上可划分为配料系统、发酵系统、过滤系统三个单元。发酵系统本身又可划分为种子制备、发酵培养、生物生化检验三个部分。从发酵运行及管路配置考虑,涉及空气系统、蒸汽系统、冷却水系统、排气系统、物料系统五个系统。本文重点就这五个系统配置设计进行阐述。
2.1 总体设计原则
发酵车间的管道布置要符合化工、一般制药管道的要求,如:尽可能使管线最短,阀件最少;便于安装、检修和操作管理。管道一般采用明线敷设,安装费用低,检修安装方便,操作人员容易掌握管道的排列和操作。
除此之外,发酵车间的特殊性在于需考虑管道布置是否符合无菌生产的要求,即保证蒸汽对物料管道灭菌时畅通无阻,无死角等。
2.2 各系统配置要点
2.2.1 空气系统配置
发酵罐使用的压缩空气,经过粗过滤器进入无油空压机制备,经空气冷却器、气水分离器进行冷却、除水,再通过空气加热器将温度较低的空气加热到适合进入发酵系统的空气。
A.空气系统配置:
第一种方案是发酵车间的空气经过总过滤器再分散到不同的发酵罐,每一个发酵罐设空气的预过滤器和精过滤器,在消毒蒸汽进过滤器的时候,蒸汽要先经过蒸汽过滤器。
第二种方案是发酵车间取消总空气过滤器,每一发酵罐分别设置三级过滤,即初效过滤器、预过滤器和精过滤器。
第一种方案更经济;第二种方案在使用中更加灵活,各罐可以随时更换第一级过滤器滤芯。
B.空气系统设计关注重点:
要控制进初效过滤器(或总空)前的相对湿度;
空气总管路及总空气过滤器防止积水;
空气系统防止气液倒流;
空气系统在车间设置两路总管时需要设置联通管路。
2.2.2 蒸汽系统配置
A.蒸汽系统配置:
蒸汽管路一般用于设备、管道的消毒灭菌。蒸汽供应分为湿饱和蒸汽、饱和蒸汽和过热蒸汽。这三种蒸汽质量不同,在具体使用上,灭菌操作及效果也不同:湿饱和蒸汽因含有水分,热含量低,热穿透力差,灭菌效率低,因此,在灭菌时要适当延长时间;过热蒸汽,温度高于饱和蒸汽,穿透率低,灭菌效率低;饱和蒸汽的效果相对最好。整个蒸汽系统在配置时要做成“活蒸汽”,即时刻使消毒管路的蒸汽处于少量通气状态。全部蒸汽管路应无死角,避免冷凝水的聚集,造成杂菌的污染。
B.蒸汽系统设计关注重点:
蒸汽总管路应当采用并联形式或蒸汽分配站形式,最常用的是蒸汽主管进入蒸汽分配包后再进入各蒸汽系统;
连消系统与发酵罐消毒系统蒸汽分开;
灭菌系统与非灭菌系统(公共系统)蒸汽分开;
进罐前设置总控制阀,尽可能避免停止总系统更换阀门;
蒸汽系统加水方案需要慎重选择,必须设置报警及自控系统;
2.2.3 排气系统配置
A.排气系统配置:
排气分为消毒排气和发酵排气。消毒排气是指在消毒过程中满足灭菌压力要求后排掉的乏蒸汽。消毒排气一般情况下是高温的,因此,需要进行冷却处理后才能排入尾气处理系统。发酵排气一般情况下是在发酵培养过程中的排气,为夹带微生物代谢物、发酵液、二氧化碳的废气。该排气压力较低,气量较大。因此,两种排气系统需要分成不同的分支分别处理。
B.排气系统设计关注重点:
消毒尾气应在操作面分开设置,且消毒排气管径低于正常排气管径;
排气需进入旋风分离器进行气液分离后,方可进入尾气处理系统;
消毒尾气与正常发酵排气不串接,避免消毒排气倒灌进入正常生产的发酵罐等无菌生产设备内部;
2.2.4 冷却水系统配置
A.冷却水系统配置:
冷却水按用途分为常规发酵过程冷却水、灭菌后降温冷却水。根据生产工艺控制温度的需求,多数情况下,发酵过程冷却水需要配置循环水冷却水和低温冷却水两个系统,用于生产时切换使用。
B.冷却水系统设计关注重点:
灭菌后冷却水系统是否单独设置冷却水塔及相应管路系统,需要根据具体情况而定。一般当整体系统规模较小,而单罐体积较大情况下,应单独设置。在南方地区,循环水温度非常敏感,稍高会影响整个厂区生产,这种情况也应单独设置为宜。
蛇形换热管设计,内部冷却水流速控制在0.5~1米/秒,进出口温差控制在4~7℃为宜,为较经济数据。
2.2.5 物料系统配置
A.物料系统配置原则:
管线布置应尽量短,防止物料管内滞留;
管线分支管处尽可能上弯,并使阀门安装尽可能靠近主管,避免存料;
物料管道应避免泄漏和死角。靠罐一阀尽量靠近罐壁,以免积液形成死角,一阀与二阀之间接管尽量短,并接蒸汽管路,以利于灭菌;
不把物料无菌管路当作排污管使用,不做压出洗罐水、染菌液使用;
不用的物料管路需要及时割除,无菌物料管路要保证蒸汽畅通;
B.物料管道系统设计关注重点:
发酵车间移种、补料系统管道生产过程中应始终处于无菌状态,与发酵罐连接处的管道也均需处于无菌状态,需要采用“活蒸汽”灭菌。
这些无菌管道的材质一般为无缝不锈钢管,且需进行内抛光。
阀门选择通常选用可更换密封面的抗阀。
与物料管线相连的蒸汽管线通常使用的是碳钢管道,因此,与不锈钢物料管连接处用两片法兰分开为宜,橡胶板或聚四氟乙烯板做分界面。
移种管道系统的设计分为两种方式:移种主管式和分配站式。这两种方式各有优缺点,如何选择也要尊重甲方的操作习惯。两种方式见图5和图6所示。
采用主管形式是从种子罐的移种总管直接到各发酵罐。优点是各个移种支管比较短,管道用量小,费用低。缺点是因为总管较长,对发酵的种子液浪费比较多;在操作上由于各个阀门相对较远,人员走动比较多,操作容易出现误差;在灭菌操作的时候,各个支管根部和总管连接处容易形成死角。
分配站形式是将各级种子和发酵罐之间的移种阀门集中到一起,各个移种支管连接到一个较短的主管上。不进行操作时,主管处于蒸汽汽封状态。其优点是实现了移种的集中操作,减少了人员的操作距离,较为方便,误差减少。采用这种形式,发酵液浪费比较少,灭菌的效果也比较可靠。其缺点是由于支管比较长,管道总长耗量比较大,占的空间也比较多。
 
图5 移种主管管方式
 
图6 分配站方式
发酵分配站的阀门一般应布置在主管的上方,避免支管的根部存残种子液造成污染。另外一种方式是采用三通阀连接形式,三通阀本体作为主管,三通阀支管作为移种管道,管道可直接向下接出。
补料管道同样分为主管式和分配站式。补料主管式由于操作面对美观性的要求、操作的便捷性、安装等都存在着一定的局限性,现在的设计上使用较少。一般推荐分配站式补料设计。
无菌管道将整个发酵厂房的设备连接起来,对整个发酵车间的设计是非常重要的,同时也是进行无菌生产的基础。无菌管道的设计方案要根据具体布局、生产规模、甲方操作习惯等综合考虑。
3 发酵生产自动化及节能设计
3.1 发酵生产自动化控制设计
发酵生产过程是微生物次级代谢的生化反应过程,机理复杂。生产工艺包括生物技术,化工技术。部分过程参数既相互关联,又相互制约。且生产过程涉及无菌操作,实现完全自动化有较大难度,并需付出较高投资。但是,自动化控制的优势和必要性也十分突出,是发展的必然趋势。
发酵车间的自动化控制和监控点主要包括:发酵温度、发酵罐压、空气流量、灭菌、消沫、pH值、补料、移种、溶氧、搅拌转速等。其主要特殊点是无菌概念。物料系统需采用卫生型阀门和仪表,避免藏污纳垢。且由于物料和空气管道需高温高压蒸汽灭菌,仪表和阀门管件还要选择耐温、耐压的型式。
随着国内自动化领域的发展,一些先进发酵生产线已实现全过程自动化控制。自控系统多采用分散控制、集中操作、分级管理、组态方便的方式,即DCS方式。
发酵车间自控难点在于灭菌操作全自动化控制。自控灭菌的优点是灭菌过程中培养基温度控制一致性好,培养基的破坏程度均匀性强,又能降低人工劳动强度和节省劳动力,还能减少人为不确定因素导致灭菌失败的风险。出现异常情况时,利用DCS系统可以做出迅速反应,缩短处理时间。采取全自动灭菌也有缺点:由于大量自控阀门代替手动阀门,导致投资额较大。另外,全自动灭菌对操作人员的素质要求有所提高,出现故障,要求操作人员能够迅速判断异常,迅速解决自控系统出现的问题。
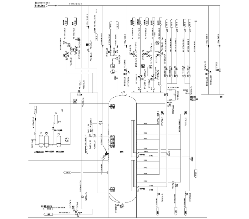
在设计过程中是否采用全自动控制系统,要根据业主的投资预算、发酵规模、项目当地操作人员素质、品种特点等综合因素决定。随着我国自控软硬件水平的不断提高,人工成本的不断增加,劳动力短缺情况的出现,以及其他等诸多因素的影响,全自动化控制方案必将成为发酵工厂设计的趋势。图7为典型发酵罐自控流程图。
 
图7 典型发酵罐自控流程图
3.2 发酵车间节能设计
发酵工业是高耗能产业,随着能源价格的持续提高,动力成本占生产成本的比例可达40%~55%。所以,在发酵工厂设计时,越来越注重采用节能设备和节能工艺。例如,在近期一些项目设计中,采用永磁电机、磁悬浮空压机等节电设备已比较常见。又例如,在空压机站的设计中,用从离心空压机出来的高温压缩空气与要升温的压空(除湿以后的压缩空气)换热,达到回收热量,节省蒸汽的目的。
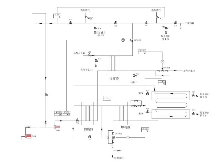
目前,发酵车间比较流行的工艺节能措施,当属采用热交换利用的高温高压快速连消灭菌装置代替实罐消毒。
其具体方案是(1)在连消系统采用预热器,用消后高温物料作为预热器热源,一方面物料经过预热器升温可节省消毒蒸汽的用量,同时,将消后高温物料送到预热器里给低温的物料做预热热源,可使其出料温度将至50~60℃,也降低了循环水对其进行冷却的负荷,一举两得。(2)为了进一步提高节能效果,并降低物料破坏程度,也可采用高温快速灭菌新型连消工艺装置。图8为该种节能型连消装置流程示意图。
 
图8 节能型连消装置流程示意图
注重回收废蒸汽,也是当下节能设计中的一个方面。
发酵过程中的废蒸汽主要包括:排气管道在灭菌过程中排气,发酵车间无菌维持时的小排气(小辫子)中的废蒸汽。对这些废蒸汽的收集利用,用于预热配料水水温,也可以达到一定程度的热量回收。同时,也可以降低废蒸汽乱排对车间环境带来的温度升高、湿度增大等不利影响。图9为消毒尾气回收流程示意图。
 
图9 消毒尾气回收流程示意图
4 结论
本文对发酵设计的重点及难点问题进行了阐述和分析。指出:发酵关键设备的设计水平以及发酵生产系统配置水平是决定整个发酵系统是否先进的两个重要方面;发酵罐的容积规模是否合适、高径比选择是否合理、搅拌流场技术是否先进、换热装置是否高效,是发酵罐设计需关注的四个关键点;空气系统、蒸汽系统、冷却水系统、排气系统、物料系统为发酵生产的五个主要配置系统,应该紧紧围绕无菌保证、安全保障、低成本运行、节能高效、维护方便的总体原则,根据不同系统的特殊性,分别做好每一个系统的设计;发酵全自动化控制生产是未来工程设计发展的必然趋势,每一个工程自控水平的确定,需根据工程的具体情况做出切合实际的选择。